Descripción
Este tipo de medidor eléctrico se utiliza a medir energía eléctrica activa de trifásico de tres hilos o de cuatro hilos, perfecto para aparatos eléctricos trifásicos o pequeñas o medianas empresas y instituciones, y usuarios comerciales y residenciales, quien se cobra por tarifa plana. Tarjeta IC está disponible para gestión de prepago.
Características
1. Energía eléctrica activa se mide direccionalmente y electricidad de retroceso se medirá y se contará en la energía de avance.
2. Cada medidor tiene un aparato independiente y encriptado de pago infrarrojo que garantizar la seguridad y estabilidad.
3. Función de prepago encriptada. Pagar por adelantado de consumo de energía.
4. Alarma de viaje y prepago de electricidad.
5. Alarma de viaje de sobrecarga de potencia.
6. Consumo de energía a crédito disponible.
7. Medición de pérdida de fase. La precisión de medición no se influenciará si cualquier una fase o dos fases de medidor de trifásico de 4 hilos se cortan.
8. Correspondido software de prepago inglés prsentando funcionamiento simple.
Información técnica
| Voltage nominal | 3x220/380 , 3X230/240, 3X240/415V |
| Rango de voltage funcionamiento | 0.8~1.2Un |
| Corriente nominal | 1.5(6)A,10(40)A,15(60)A,10(100)A, o necesidad especial |
| Frecuencia nominal | 50Hz o 60Hz |
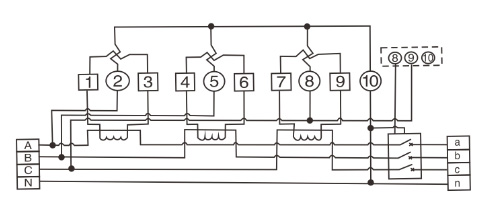
| Tipo de conexión | CT o Directa |
| Pantalla | LCD |
| Clase de precisión | 1.0 |
| Consumo de energía | < 2W/10VA |
| Corriente de arranque | 0.004Ib |
| Resistencia de AC | 4000V/25mA por 60 sec |
| Voltage de impulso | 6kV 1.2μs forma de onda |
| Grado de protección IP | IP51 |
| Constante | 800~6400 imp/kWh |
| Pulso de salida | Pulso pasivo, pulso ancho de 80+5 ms |
| Estándar | IEC61036, IEC62053-21, IEC62052-11 |
| Temperatura de funcionamiento | -30℃~70℃ |
| Dimensiones de esbozo(largo, ancho, alto) | 228x144x72mm |
| Peso | Aproximadamente 1.3kg |




Dimensiones de diseño